[
|
Pathway entry
|
Show description
|
|
Help
]
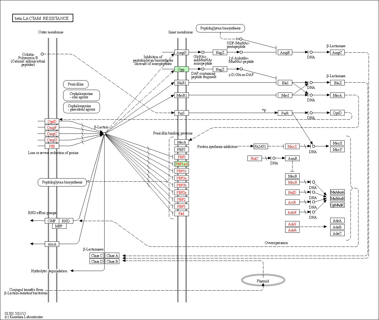
The beta-lactam antibiotics are the most widely used group of antibiotics, which exert their effect by interfering with the structural crosslinking of peptidoglycans in bacterial cell walls. Over the past decades, a rapid increase in the number of beta-lactam-resistant clinical isolates is observed. Bacterial resistance to beta-lactam antibiotics can be achieved by any of the following strategies: producing inactivating enzymes called beta-lactamases, altering the beta-lactam targets of penicillin-binding proteins (PBPs), reducing transport of beta-lactams into the periplasmic space via changes in porins, and using the mechanisms for exclusion of beta-lactams by way of efflux pumps. Resistance may result from intrinsic properties of organisms, through gene mutations, and through plasmid- and transposon-specified genes.