[
|
Organism group
|
Pathway entry
|
Show description
|
|
Help
]
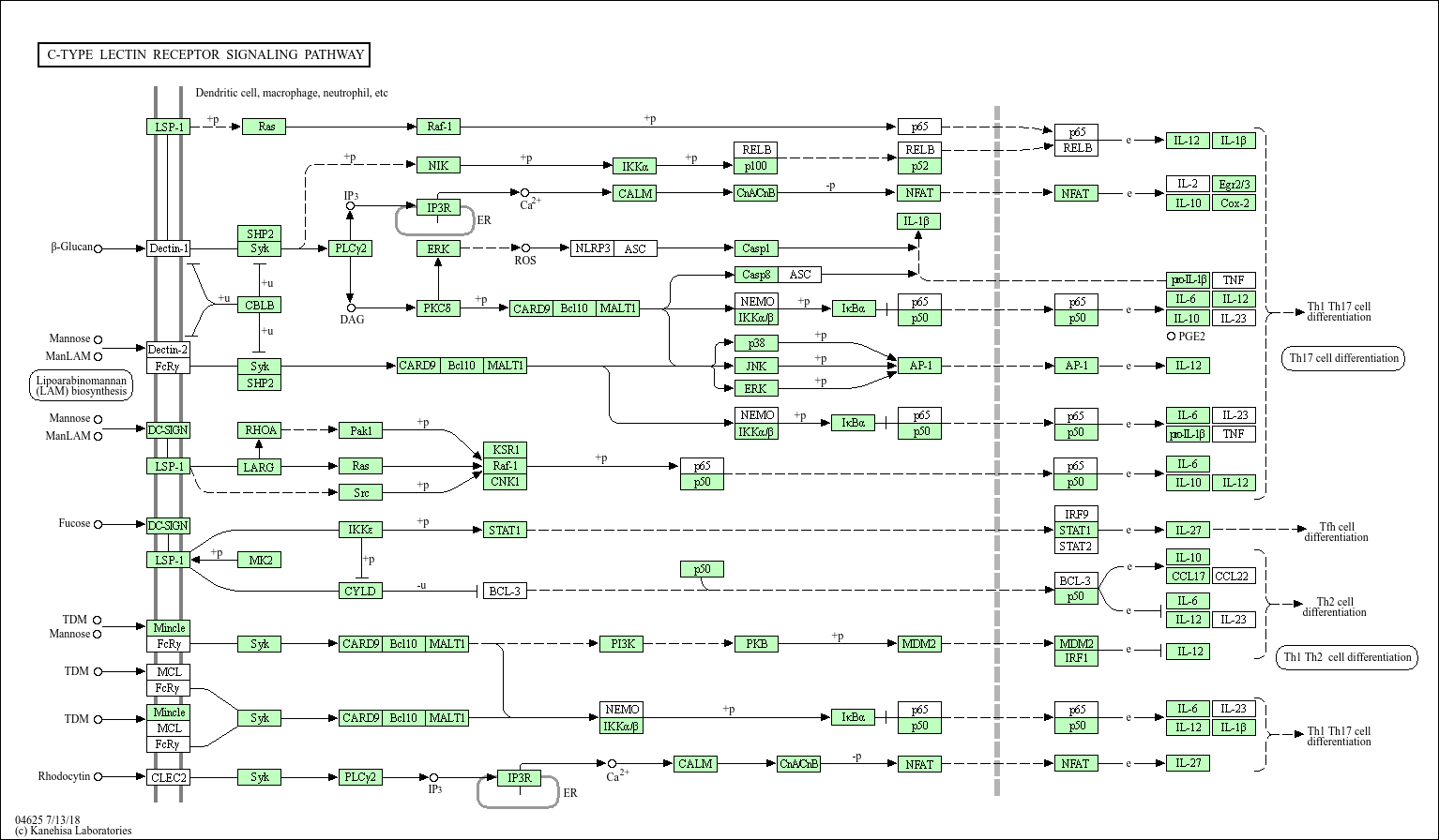
C-type lectin receptors (CLRs) are a large superfamily of proteins characterized by the presence of one or more C-type lectin-like domains (CTLDs). CLRs function as pattern-recognition receptors (PRRs) for pathogen-derived ligands in dendric cells, macrophages, neutrophils, etc., such as Dectin-1 and Dectin-2 for recognition of fungi-derived B-glucan and high mannose-type carbohydrates. Upon ligand binding, CLRs stimulate intracellular signaling cascades that induce the production of inflammatory cytokines and chemokines, consequently triggering innate and adaptive immunity to pathogens.