[
|
Organism group
|
Pathway entry
|
Show description
|
|
Help
]
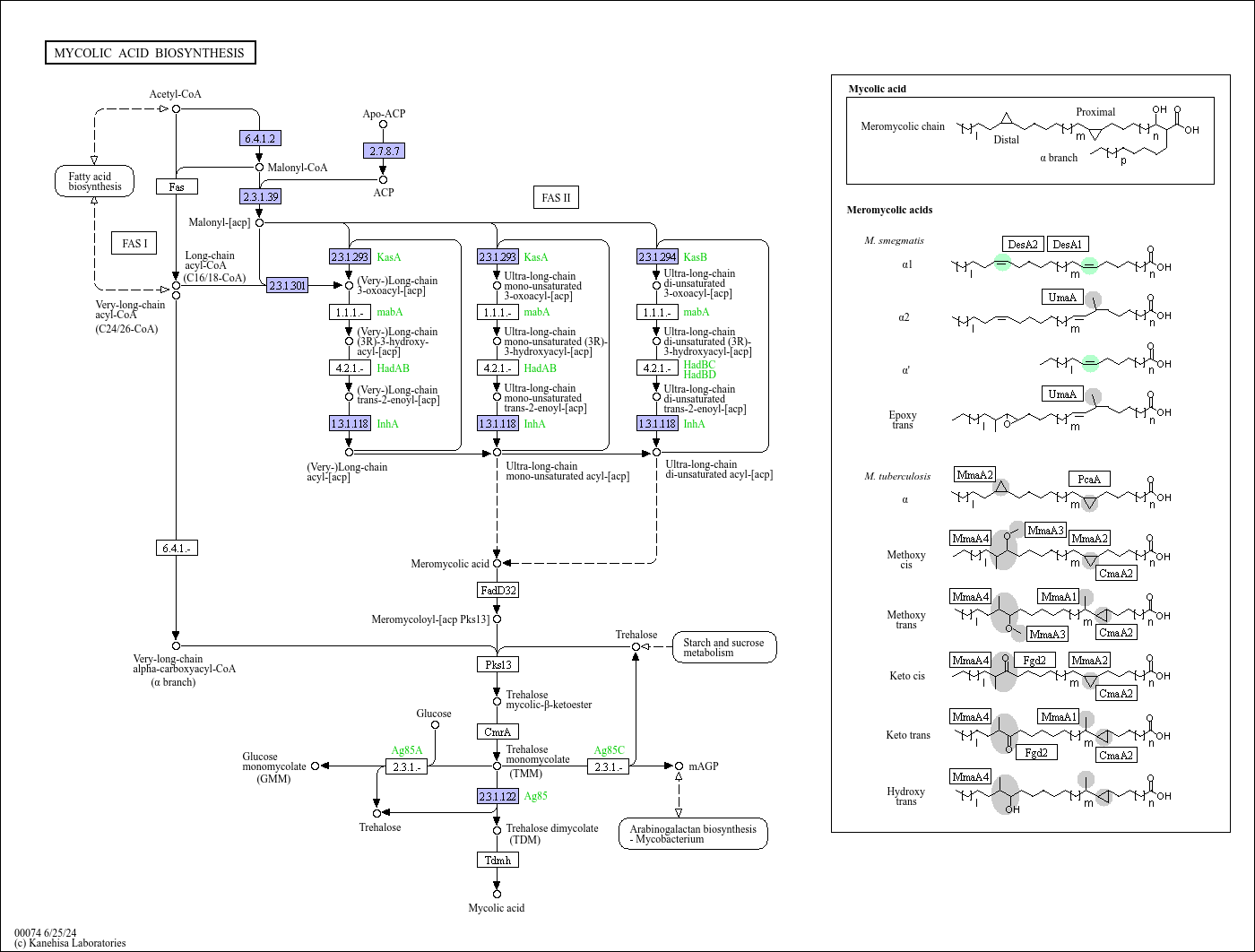
Mycolic acids are alpha-alkyl, beta-hydroxy long-chain fatty acids, which are essential components of the cell walls of mycobacteria and related bacteria such as Nocardia and Rhodococcus. The structures of mycolic acids are composed of a meromycolic chain and an alpha-branch. Functional groups and carbon chain lengths vary depending on the genus, species and strain levels of bacteria. Corynebacteria also synthesize mycolic acids, called corynomycolic acids, which are shorter and less modified than mycobacterial mycolic acids. In mycobacteria, the biosynthetic pathway starts with de novo synthesis and elongation of fatty acids by FAS I and FAS II, respectively. FAS II products undergo further elongation, desaturation and modification to produce meromycolic acids, while carboxylation of very-long-chain acyl-CoA further elongated by FAS I yields carboxyacyl-CoA (alpha-branch). Mycolic beta-ketoester formed by condensation of the activated meromycolic chain and the carboxylated acyl chain, upon reduction, leads to the mature mycolate, TMM (trehalose monomycolate). Mycolyltransferase (Ag85) then catalyzes the transfer of a mycolate from TMM to the cell wall arabinogalactan and to other TMMs to form mAGP and TDM (trehalose dimycolate), respectively.