[
|
Organism group
|
Pathway entry
|
Show description
|
|
Help
]
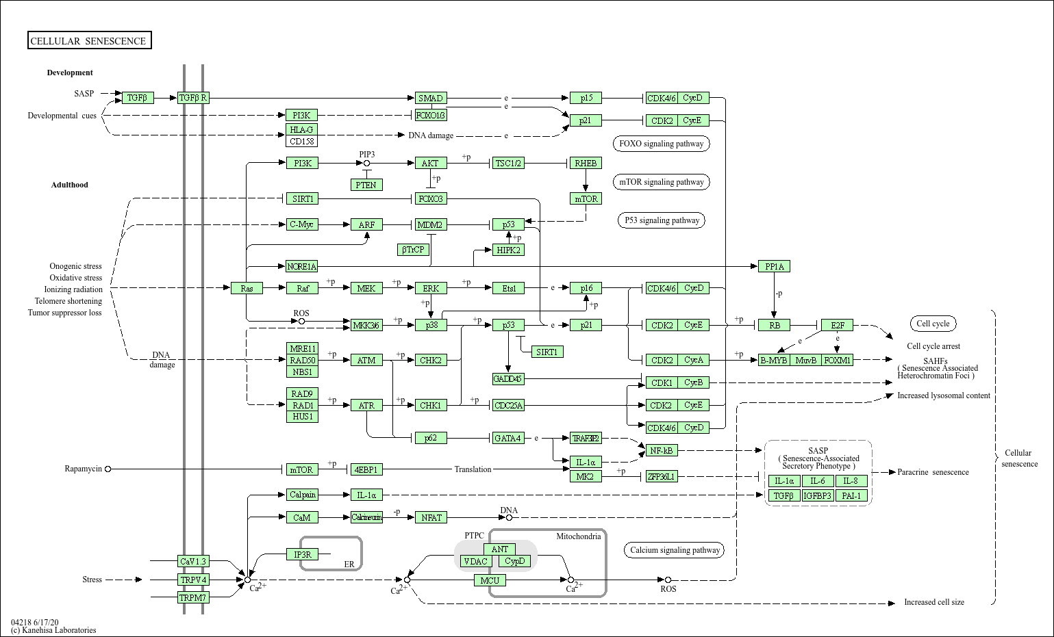
Cellular senescence is a state of irreversible cellular arrest and can be triggered by a number of factors, such as telomere shortening, oncogene activation, irradiation, DNA damage and oxidative stress. It is characterized by enlarged flattened morphology, senescence-associated beta-galactosidase (SA-b-gal) activity, secretion of inflammatory cytokines, growth factors and matrix metalloproteinases, as part of the senescence-associated secretory phenotype (SASP). Cellular senescence is functionally associated with many biological processes including aging, tumor suppression, placental biology, embryonic development, and wound healing.